一、100X遙控浮球閥--概述
100X遙控浮球閥由主閥、針閥、球閥、浮球閥、微型過濾器等組成水力控制接管系統,調定后,自動控制液面高度。本產品直接利用液面控制,不需要其它裝置和能源,保養簡便,液面控制準確度高,不受水壓影響,密封可靠。 廣泛用于高層建筑、生活區等供水管網系統的水塔、水池等設施的液面控制。
壓力等級:PN10﹑PN16﹑PN25
隔膜式:DN20~450
活塞式:DN350~800
二、100X遙控浮球閥--工作原理
當管道從進水端給水時,由于針閥、球閥、浮球閥是常開的,水通過微型過濾器、針閥、控制室、球閥、浮球閥進入水池,此時控制室不形成壓力,主閥開啟,水塔(池)供水。
當水塔(池)的水面上升至設定高度時,浮球浮起關閉浮球閥,控制室內水壓升高,推動主閥關閉,供水停止。當水面下降時,浮球閥重新開啟,控制室水壓下降,主閥再次開啟繼續供水,保持液面的設定高度。
三、100X遙控浮球閥--主要技術參數
| 公稱壓力(Mpa) | 殼體試驗壓力(MPa) | 密封試驗壓力(MPa) | 適用介質 | 介質溫度(℃) |
| 1.0 | 1.5 | 1.1 | 水 | 0-80 |
| 1.6 | 2.4 | 1.76 |
| 2.5 | 3.75 | 2.75 |
| 零件名稱 | 零件材料 |
| 閥體 閥蓋 | WCB |
| 閥座 閥盤 | 銅合金 |
| 密封圈 O型圈 | 丁腈橡膠 |
| 閥桿 | 2Cr13 |
| 彈簧 | 50CrVA |
| 針型閥 | 銅合金 |
| 球閥 | 銅合金 |
| 浮球閥 | 銅合金 |
| 微型過濾器 | 不銹鋼 |
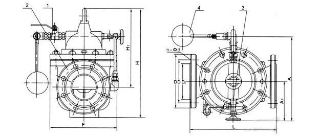
五、100X遙控浮球閥--部件列表
1、球閥2、產閥3、針閥4、浮球閥

六、主要外形及連接尺寸
| 公稱通徑 | 尺 寸(mm) |
| DN(mm) | L | A1 | A | H1 | H | F |
| 20 | 150 | 130 | 325 | 179 | 212 | 116 |
| 25 | 160 | 130 | 325 | 179 | 212 | 116 |
| 32 | 180 | 130 | 325 | 179 | 212 | 116 |
| 40 | 200 | 140 | 335 | 210 | 265 | 168 |
| 50 | 203 | 140 | 335 | 210 | 265 | 168 |
| 65 | 215 | 140 | 335 | 215 | 310 | 180 |
| 80 | 241 | 145 | 345 | 245 | 350 | 210 |
| 100 | 270 | 155 | 365 | 305 | 460 | 284 |
| 125 | 300 | 165 | 385 | 365 | 520 | 310 |
| 150 | 330 | 180 | 410 | 415 | 570 | 370 |
| 200 | 400 | 205 | 465 | 510 | 840 | 463 |
| 250 | 480 | 225 | 505 | 560 | 890 | 525 |
| 300 | 550 | 245 | 545 | 658 | 1030 | 625 |
| 350 | 622 | 275 | 595 | 696 | 1090 | 705 |
| 400 | 685 | 285 | 625 | 735 | 1150 | 778 |
| 450 | 750 | 285 | 625 | 735 | 1150 | 778 |
| 500 | 811 | 410 | 780 | 750 | 1110 | 690 |
| 600 | 935 | 456 | 888 | 850 | 1286 | 785 |
七、安裝示意圖


上兆閥門其他產品:
閘 閥 截止閥 球 閥 蝶 閥 緊急切斷閥 電磁閥 水力控制閥 止回閥 刀型閘閥 旋塞閥 過濾器 減壓閥 疏水閥 隔膜閥 調節閥 阻火器 呼吸閥 燃氣閥門 冶金閥門