

|
||||||||||||||||||||||||||||||||||||||||||||||||||||||||||||||||||||||||||||||||||||||||||||||||||||||||||||||||||||||||||||||||||||||||||||||||
|
產品介紹 GD-J型高真空擋板閥--產品介紹: GD-J型高真空擋板閥(又稱角閥)是用于真空系統中用來切斷或接通氣流之用。傳動部件采用螺桿傳動升降閥板,動作輕巧、工作可靠。GD-J為角通型式,GD-S為帶預抽口的三通型式。適用的介質為空氣及非腐蝕性氣體。傳動部件采用螺紋結構。高真空擋板閥動作輕巧、工作可靠,高真空擋板閥適用溫度范圍: -30℃-+150℃GD-J系列高真空擋板閥是用于真空系統中用來切斷或接通氣流之用。 GD-J型高真空擋板閥適用的工作介質為空氣、非腐蝕性及不含顆粒灰塵的氣體。 GD high vacuum flapper valve is used to put through or cut off the airflow in vacuum pipeline. Applicable medium can be pure air and noncorrosive gases. According to its shaft seal structure, high vacuum flapper valve is classified into GD-J rubber shaft seal type and GD-J(b)bellows shaft seal type. According to its put-through type, it is classified into GD-J angle type and GD-S three-way type with prepumping. GD-J型高真空擋板閥--主要技術性能:
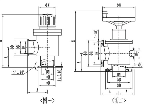
GD-J型高真空擋板閥--連接尺寸:
上兆閥門其他產品: 閘 閥 截止閥 球 閥 蝶 閥 緊急切斷閥 電磁閥 水力控制閥 止回閥 刀型閘閥 旋塞閥 過濾器 減壓閥 疏水閥 隔膜閥 調節閥 阻火器 呼吸閥 燃氣閥門 冶金閥門 | ||||||||||||||||||||||||||||||||||||||||||||||||||||||||||||||||||||||||||||||||||||||||||||||||||||||||||||||||||||||||||||||||||||||||||||||||
相關產品 |
||||||||||||||||||||||||||||||||||||||||||||||||||||||||||||||||||||||||||||||||||||||||||||||||||||||||||||||||||||||||||||||||||||||||||||||||